csf.png csf-ph.png

leyu.乐鱼(中国)CS620F力控系列协作机器人

安全可靠,柔顺拖拽,恒力控制,降本赋能

CS620F
  • 亮点
  • 参数
  • 图纸
  • 控制箱/示教器/示教软件
  • 相关资源
  • 相关产品

CS620F

  • b3icon1-594.svg
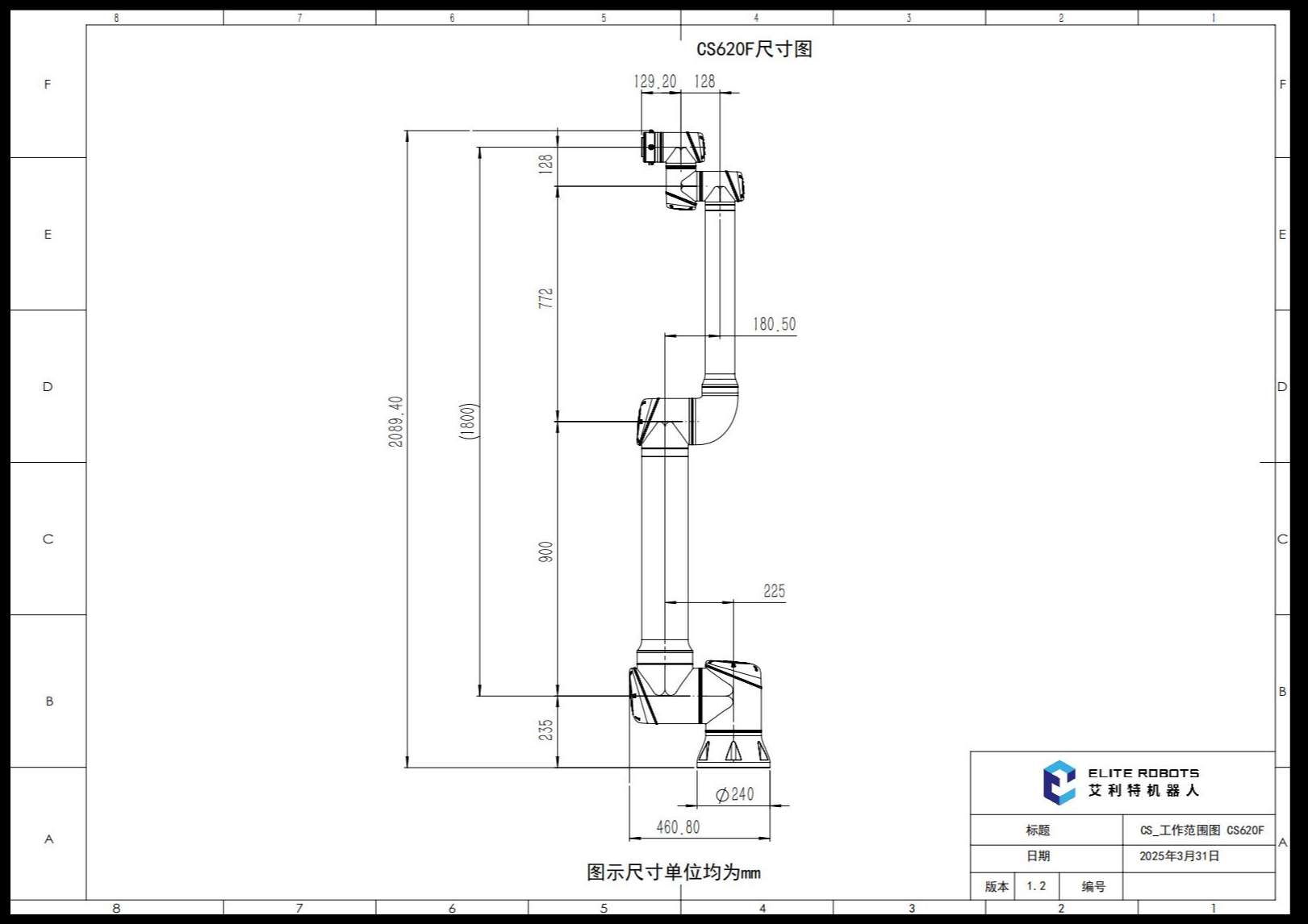
    1800mm

    工作半径

  • b3icon2-752.svg
    20kg

    负载

  • b3icon3.svg
    ±0.05mm

    重复定位精度

  • b3icon4.svg
    60Kg

    自重

产品参数

  • 技术参数
  • 关节参数
  • 力控参数
  • 物理参数
  • 配件型号
    • 名称参数
      自由度6
      负载20kg
      工作半径1800mm
      重复定位精度±0.05mm
      典型功耗625W
      安装方式任意角度
      工具I/O4xDO/4xDI 、1xAI 、1xAO
      工具I/O供电接口1:12V/24V,3A(三针模式),2A(双针模式),1A(单针模式);接口2:24V,5A
      工具通信RS485、CAN(预留)

    • 关节运动范围关节最大速度
      基座±360°125°/s
      肩部±360°125°/s
      肘部±360°150°/s
      腕部1±360°210°/s
      腕部2±360°210°/s
      腕部3±360°210°/s
      工具最大速度3.9m/s3.9m/s

    • 力/力矩传感器
      量程Fxyz=500N,Mxyz=50Nm
      准度5N, 0.5Nm
      精度2N, 0.2Nm
      过载能力400%
    • 名称参数
      自重60kg
      底座直径Φ240mm
      IP防护等级IP68
      工作环境温度-10°C~50 ℃
      工作环境湿度90%相对湿度(非冷凝)
      材料铝合金、钢、塑料、橡胶
      标准线缆长度5.5m
    • 名称参数
      控制箱ERB2C2K0 / ERB2C2K0N / ERB1C4K0MNE
      示教器ERP400
      全能示教器(选配)ERP400S
CS620F.png

产品图纸

  • 外形尺寸图
  • 工作范围图
  • 控制箱

    ERB2E2K0-220/110 / ERB2E2K0-48/24 (标配)
    ERB1E2K0E-48 (选配)

    b1_img15.png
  • 示教器/示教软件

    示教器/示教软件

    b1_img16.png
download-669.svg comicon14.svg

电话咨询

download-397.svg comicon15.svg

免费试用

Vector.svg Frame.svg

微信小程序

img1.jpg

微信小程序

准备好突破增长瓶颈,开启智能制造了吗?
了解我们的机器人如何帮助您的业务增长
欢迎下载leyu.乐鱼(中国)机器人资料

我已阅读并同意leyu.乐鱼(中国)《隐私政策》《法律声明》

我已知晓并同意leyu.乐鱼(中国)通过电子邮件发送相关资料

提交